そばな高原鉄道車輌製作乗用客車>台車の製作急行 home 行↓
乗用車輌/客車そばな
台車の製作 台車は実車とは異なる独自の形を実用性を中心に考えて製作しました。小径の車輪,短い車軸間の距離,軸箱を腕に取り付けたことなどが特徴です。

(1) 台車の設計 (試作2号台車)

自作するためには簡単に入手できる材料を使用し,加工が容易であることが前提になります。
また,人が乗る台車では十分な剛性と変化するレールの状況に対応できる柔軟な足回りの動きが求められます。

これらの条件を勘案して,鉄のアングル材と角パイプを主体に台車枠を構成することにしました。この方法ならば加工し易い薄い鉄板でも必要な剛性が得られると考えられます。(右図が製作した台車です。)
材料はホームセンターで販売している鉄材のみで,鉄材の規格に合わせてサイズを決め,切断箇所を必要最小限にしています。

製作する上で最も工夫を要するのがベアリングを入れる軸箱(図のA)とレールに順応する車輪の緩衝機構(図のB)です。
基本性能に関係するこの部分は機能面を追求する面白さもあるので1号台車の軸箱とは違う構造で作り,両者を比較してみることにしました。

 

(2) 台車枠の製作

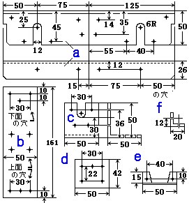
図は軸箱部分を除く台車枠の主な部品の形です。
使用した鉄の材料は
ac 50×50アングル( 板厚4)
b
      50×50角パイプ(板厚2.2)
d      50フラットバー( 板厚3)
e 20×20アングル(板厚3)
(単位はmm)

鉄材の厚さは最大で4mm,すべて直線のカットなのでそれ程大変ではありません。突合せ部分とネジ穴の位置が正確であれば簡単に出来上がります。

 

 

 

(右写真)上図 の部品を仮組してみました。すべて4mmか5mmのネジ留めです。

 

(3) 車軸受の構造*4

軸箱,軸箱守,緩衝バネの部分を実物のように作ると部品数が多く,精度も問題になるので大変です。
一方,走行条件は実物と模型とではかなり異なっていると思われます。
ここは思いきって実物とは無関係に,簡単な構造のものを作ってみることにしました。

右図のgh がその部分で,ベアリング軸受を角パイプの中にはめ込み(図中の○14の位置です。)Oを支点にして上下(回転)させます。 軸箱守が無いので構造が簡単で,角パイプにバネを載せただけで緩衝部分も単純です。
g
22×10角パイプ(板厚1.5)単位mm
h フラットバー(板厚3)
裏側の板/左,表側の板/右

車軸受のベアリングは細い角パイプの中に入れるので小型のものが必要です。径10mmの軸に対応する最小外径と思われる14mmのニードルベアリング(HK1010)をやっと見つけました。特殊なものは専門店の所在を探すことからはじめるので一苦労です。

使用したバネは外径16mm,バネ定数18N/mmです。輪重が196N(=20kgw) のときに軸箱の入った腕(角パイプ)がちょうど水平の位置(定員乗車の適正加重)になります。

(写真)角パイプに埋め込まれた軸箱部分を仮組して固定位置を調整中です。最終的な組立ては塗装後になります。軸箱の蓋の中央の6角ボルトはベアリングへの給油口の「蓋」です。

 

(4) 「柔構造」のフレーム

定員乗車のとき車輌の総重量は160kgを越え,小さな台車に大きな荷重をバランスよく載せなければなりません。
床板と台車を2箇所のセンターピンで結合するボギー車の単純な構造では対応しきれないと感じました。余談1

そこで床板を使わず「柔構造」のフレームによって荷重を台車上の4箇所(1台車に各2箇所)に分散して載せる ことにしました。
この構造は脱線防止以外にも次のような効果を考えています。(そばな高原鉄道の条件下で,必ずしも一般的ではありません。)

変形しない床板では加重はセンターピンの位置で台車に加えられ,ベアリングを入れるとすればスラストベアリングを少し無理な状態で使うことになります。
「柔構造」にすれば荷重をセンターピンの位置で加える必要が無く,戸車利用の作り易い構造が可能になります。戸車ば強度と安定性に優れ,防塵対策も不要です。

車体とフレームを一体化しない(車体をフレームに載せる)構造なので,車体を簡単に取り外すことができ保守点検,運搬,保管が楽になります。更に,別の車体に載せ替えれば「変身」までもが自由自在です。

台車の左右に張り出す足置き板(実質的な床板)の取り付けは ,このフレームを利用するので簡単になります。

 

(5) 組立・完成した台車

塗装は試しに黒染め(着色)塗料を吹き付けてみました。
ほとんど光沢が無く,吹き付け方によって,むらが出て,均一に塗装されるラッカーとは違った仕上がりになりました。

(左写真)枕梁の上には直径30mmの平戸車のついたフレームが載りますから,センターピンは長く上に突き出しています。径16mmの建築金物を加工してあり,頭の12mm六角ボルトで枕梁から抜けないように留めます。
写真の無荷重状態では軸箱を入れた腕が少し下がっています。定員乗車時に水平になります。過荷重になると台車枠の上に頭を突き出したバネ固定用の4本のネジがストッパーの役目も果たします。

フレームは20×20mmのアングルをネジ留めで作りました。
アングルをやや細くし,前後の台車間で10mm程度までの捩じれを吸収する「柔構造」になっています。

したがって,車体からの荷重はフレームに直接かけず,戸車の外側の枕梁上にのせます。

(荷重は前後の台車の枕梁上の4点で保持することになります。)

(上写真)緩くカーブした線路上に台車とフレームを置いた状態で,台車は少し旋回しています。

連結器の規格化*3
連結器はスケール車輌以外はバッファー の役割もするこの手を拡げた形で統一しようとしています。
3インチ半と5インチの違いや異なる形式の車輌が混在していても,いずれとも連結出来るようにしたいと考えています。余談2
この連結器もまだまだ改良の余地があります。

(左写真)前方から見た連結器です。いろいろなタイプの連結器に差し替えられるように箱型,2段構造になっています。写真は「中間引き棒」を取り付けた状態です。
手を拡げているのは車輌同士の軽い衝突はこの部分で受けとめる機能をもたせるためで,連結器の開放時には常に直進方向を向くように板バネによって維持されています。

 

余談1 ボギー車は床板と2個の台車が構成する3つの平面をセンターピンで結合する構造です。3つの平面が理想的に平行を保つときには完璧な動きをしますが,台車側の2面はレール状況に応じて複雑 に変動します。このため車体がグラグラする程センターピン部分を甘くしない限り車輪の一部がレールから浮き上がる可能性があります。
そこで頑丈な平面の床板でなく台車の動きに合わせて変形する「柔構造」のフレームによってこの変動を吸収してしまえば,各車輪への加重配分が適正になり,レールへの追従性の向上が期待される。・・・というのがこのフレームの考え方です。
台車への加重がスラストベアリング(センターピンの位置)の2点ではなく,戸車を付けた4点で支えるところがこの構造のポイントです。

余談2 仮の連結なら紐でも間に合う・・・というのは早計です。機関車が加速するときは順調でも減速すると最後尾の車輌でブレーキをかけない限り,後の車輌が前の車輌に追突してきます。

材料費=(1輌分の台車枠とフレーム) 鉄アングルとフラットバー(4種)  約2000円   ベアリング軸受(8個)  2400円  戸車(4個)756円  バネ(8個)1600円   ネジ約800円 合計 約7600円

 

 乗用車輌/客車形menu  台車の製作

車輪の製作   車体の製作   塗装/組立 完成写真